4R_CANEAT_VSP
Vehicle Speed
(km/h) (MPH)
Vehicle Speed indicates the same value as the Output Shaft (Countershaft) speed.
4R_CANEAT_VNC
Output Shaft (Countershaft) Speed
(km/h) (MPH)
Output Shaft (Counter Shaft) Speed is converted from the Output Shaft (Countershaft)
speed sensor.
The countershaft speed sensor is attached to the outside of the transmission housing.
The countershaft speed sensor generates a pulsing signal according to the speed of the
park gear on the countershaft.
Using that signal, the powertrain control module (PCM/TCM) determines the speed of the
countershaft. If pulse dropouts occur with the countershaft rotating, the PCM/TCM detects
a malfunction that may be caused by an open, a temporary open, or a short to ground.
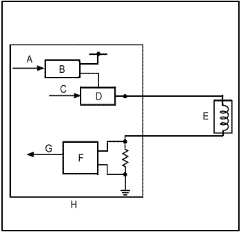
A: Output Shaft (Countershaft) speed sensor
B: PCM/TCM
C: VCC (Power supply of speed sensor)
D: NC (Speed sensor signal)
4R_CANEAT_VNM
Input Shaft (Mainshaft) Speed
(km/h) (MPH)
Mainshaft speed is converted from the Input Shaft (Mainshaft) speed sensor.
The mainshaft speed sensor is attached to the outside of the transmission housing.
The mainshaft speed sensor generates a pulsing signal according to the speed of the
mainshaft idler gear on the mainshaft. Using that signal, the powertrain control module
(PCM/TCM) determines the speed of the mainshaft.
If no pulses occur with the mainshaft rotating, the PCM/TCM detects a mal-function that
may be caused by an open, a temporary open, or a short to ground.
A: Input Shaft (Mainshaft) speed sensor
B: PCM/TCM
C: VCC (Power supply of speed sensor)
D: NM (Speed sensor signal)
4R_CANEAT_NEW
Engine Speed
(RPM)
Engine speed is converted from CKP sensor.
The value of each 1RPM is displayed.
4R_CANEAT_NCW
Output Shaft (Countershaft) Speed (rpm)
(RPM)
Countershaft speed is converted from the Output Shaft (Countershaft) speed sensor.
The countershaft speed sensor is attached to the outside of the transmission housing.
The countershaft speed sensor generates a pulsing signal according to the speed of the
park gear on the countershaft.
Using that signal, the powertrain control module (PCM/TCM) determines the speed of the
countershaft. If pulse dropouts occur with the countershaft rotating, the PCM/TCM detects
a malfunction that may be caused by an open, a temporary open, or a short to ground.
A: Output Shaft (Countershaft) speed sensor
B: PCM/TCM
C: VCC(Power supply of speed sensor)
D: NC(Speed sensor signal)
4R_CANEAT_NMW
Input Shaft (Mainshaft) Speed
(rpm)
Mainshaft speed is converted from the Input Shaft (Mainshaft) speed sensor.
The mainshaft speed sensor is attached to the outside of the transmission housing.
The mainshaft speed sensor generates a pulsing signal according to the speed of the
mainshaft idler gear on the mainshaft. Using that signal, the powertrain control module
(PCM/TCM) determines the speed of the mainshaft.
If no pulses occur with the mainshaft rotating, the PCM/TCM detects a mal-function that
may be caused by an open, a temporary open, or a short to ground.
A: Input Shaft (Mainshaft) speed sensor
B: PCM/TCM
C: VCC (Power supply of speed sensor)
D: NM (Speed sensor signal)
4R_CANEAT_RELTH
Relative TP Sensor: Relative Throttle Position Sensor
(%)
It displays the relative throttle opening value as calculated by the PCM/TCM.
A: Default position (When IG SW is on)
B: Fully closed position (0%)
4R_CANEAT_THAD1
TP Sensor (1): Throttle Position Sensor (1)
(V)
The voltage value of Throttle Position Sensor (1) is indicated.
Throttle sensor is connected to the throttle valve shaft.
It detects throttle valve position as the resistance value, converts it into the voltage,
and sends the signal to the control unit to enrich the mixture at acceleration, to perform
the fuel-cut at deceleration and to A/T control etc.
When the throttle is fully closed, the position voltage is the lowest, and as the throttle
opens, the voltage becomes higher.
The computer converts the voltage value into throttle position, and detects throttle
position status.
Fig: Throttle position sensor. Opening angle voltage characteristics
Y: V
X: deg
i: Fully closed
ii: Fully open
i: Sensor
ii: VCC
iii: TH
iv: SG
v: ECU
vi: Reference voltage circuit
vii: Computer
4R_CANEAT_THAD2
TP Sensor (2): Throttle Position Sensor 2
(V)
The voltage value of Throttle Position Sensor 2 is indicated.
TP SENSOR (2) is indicated only in the vehicle with two Throttle Position Sensor.
Throttle sensor 2 is connected to the throttle valve shaft.
It detects throttle valve position as the resistance value, converts it into the voltage,
and sends the signal to the control unit to enrich the mixture at acceleration, to perform
the fuel-cut at deceleration and to A/T control etc.
When the throttle is fully closed, the position voltage is the lowest, and as the throttle
opens, the voltage becomes higher.
The computer converts the voltage value into throttle position, and detects throttle
position status.
Fig: Throttle position sensor. Opening angle voltage characteristics
Y: V
X: deg
i: Fully closed
ii: Fully open
i: Sensor
ii: VCC
iii: TH
iv: SG
v: ECU
vi: Reference voltage circuit
vii: Computer
4R_CANEAT_APSAT
APP Sensor (%): Accelerator Pedal Position Sensor
(%)
Percentage at Accelerator position calculated from value of two accelerator pedal position sensor (APP SENSOR A and APP SENSOR B).
4R_CANEAT_APS1AD
APP Sensor A (V): Accelerator Pedal Position Sensor A Signal Voltage (V)
A potentiometer connected to the accelerator pedal cable.
This indicates the voltage value about twice APP sensor B.
Voltage of accelerator Pedal Position Sensor 1(A).
A: APP SENSOR A
B: APP SENSOR B
i: The depressed amount of the accelerator pedal
4R_CANEAT_APS2AD
APP Sensor B (V): Accelerator Pedal Position Sensor B Signal Voltage (V)
A potentiometer connected to the accelerator pedal cable.
This indicates about half the voltage value of APP sensor A.
Voltage of accelerator Pedal Position Sensor B.
A: APP SENSOR A
B: APP SENSOR B
i: The depressed amount of the accelerator pedal
4R_CANEAT_TWAD
ECT Sensor (V): Engine Coolant Temperature Sensor (V)
The voltage value of ECT sensor is indicated.
The engine coolant temperature sensor detects the fluctuation of engine coolant
temperature by the fluctuation of the resistance of thermistor.
The PCM/TCM supplies voltage to the engine coolant temperature (ECT) signal circuit (about
5 V) through a pull-up resistor.
As the engine coolant cools, the ECT sensor resistance increases, and the PCM/TCM detects
a high signal voltage.
As the engine coolant warms, the ECT sensor resistance decreases, and the PCM/TCM detects
a low signal voltage.
This signal (voltage) is used for the control of the lock upping clutch etc.
Fig: Temp resistance characteristics
Y: kΩ
X: °C
4R_CANEAT_TW
Engine Coolant Temperature
(°C) (°F)
Engine Coolant Temperature indicates the temperature value which TCM/PCM converted based on the voltage value of the ECT sensor.
The engine coolant temperature sensor detects the fluctuation of engine coolant
temperature by the fluctuation of the resistance of thermistor.
The PCM/TCM supplies voltage to the engine coolant temperature (ECT) signal circuit (about
5 V) through a pull-up resistor.
As the engine coolant cools, the ECT sensor resistance increases, and the PCM/TCM detects
a high signal voltage.
As the engine coolant warms, the ECT sensor resistance decreases, and the PCM/TCM detects
a low signal voltage.
This signal (voltage) is used for the control of the lock upping clutch etc.
Fig: Temp resistance characteristics
Y: kΩ
X: °C
4R_CANEAT_PBAD
MAP Sensor (V): Manifold Absolute Pressure Sensor
(V)
The voltage value of MAP sensor is indicated.
The manifold absolute pressure (MAP) sensor senses manifold absolute pressure (vacuum)
and converts it into electrical signals (voltage).
The MAP sensor outputs low signal voltage at high-vacuum (throttle valve closed) and high
signal voltage at low-vacuum (throttle valve wide open).
The MAP sensor outputs low signal voltage at high-vacuum (throttle valve closed) and high
signal voltage at low-vacuum (throttle valve wide open).
A: MAP SENSOR
B: PCM/TCM
D: MAP
E: SG
4R_CANEAT_PB
Manifold Absolute Pressure
(Pa) (KPa) (MPa) (mmHg) (inHg) (kgf/cm2) (psi)
Manifold Absolute Pressure indicates the pressure value which TCM/PCM converted based on the voltage value of the MAP sensor.
The manifold absolute pressure (MAP) sensor senses manifold absolute pressure (vacuum)
and converts it into electrical signals (voltage).
The MAP sensor outputs low signal voltage at high-vacuum (throttle valve closed) and high
signal voltage at low-vacuum (throttle valve wide open).
OPERATING RANGE (IDLE)
210mmHg - 310mmHg
28KPa - 41KPa
8inHg - 12inHg
Possible Variance: ±27mmHg/1.1inHg/3.6KPa
A: MAP SENSOR
B: PCM/TCM
D: MAP
E: SG
4R_CANEAT_PAAD
BARO Sensor (V): Barometric Pressure Sensor voltage
(V)
(N/A: Not equipped)
The voltage value of BARO sensor is indicated.
The barometric pressure (BARO) sensor is built into the powertrain control module
(PCM/TCM) and monitors atmospheric pressure.
The barometric pressure (BARO) sensor outputs low signal voltage at a low barometric
pressure, and high signal voltage at a high barometric pressure.
Fig: Barometric Pressure (BARO) Sensor Output Voltage
A: Barometric Pressure
B: Low (High Altitude)
C: High (Low Altitude)
D: Sensor Voltage (V)
4R_CANEAT_PA
Atmospheric Pressure
(Pa) (kPa) (MPa) (kgf/cm2) (mmHg) (inHg) (psi)
(N/A: Not equipped)
Atmospheric Pressure indicates the pressure value which TCM/PCM converted based on the voltage value of the BARO sensor.
The barometric pressure (BARO) sensor is built into the powertrain control module
(PCM/TCM) and monitors atmospheric pressure.
The barometric pressure (BARO) sensor outputs low signal voltage at a low barometric
pressure, and high signal voltage at a high barometric pressure.
Fig: Barometic Pressure (BARO) Sensor Output Voltage
A: Barometic Pressure
B: Low (High Altitude)
C: High (Low Altitude)
D: Sensor Voltage (V)
4R_CANEAT_TATFAD
ATF Temp Sensor (V): Automatic Transmission Fluid Temperature Sensor voltage
(V)
The voltage value of ATF Temp sensor is indicated.
The ATF temperature sensor is a thermistor type sensor whose resistance changes
according to the change in ATF temperature.
The PCM/ TCM sends a 5V standard voltage to the grounded sensor through a pull-up
resistor.
When the ATF temperature is low, the sensor resistance increases and the PCM/ TCM detects
a high signal voltage.
As the ATF temperature rises, the sensor resistance decreases and the PCM/TCM detects a
low signal voltage.
A: Automatic Transmission Fluid Temperature Sensor
B: Input Circuit
C: Signal
D: PCM/TCM
OPERATING RANGE
-30°C - 140°C
-22°F - 284°F
4.77V - 0.28V
4R_CANEAT_TATF
ATF Temperature: Automatic Transmission Fluid Temperature
(°C)(°F)
ATF Temperature indicates the temperature value which TCM/PCM converted based on the voltage value of the ATF Temperature sensor.
The ATF temperature sensor is a thermistor type sensor whose resistance changes
according to the change in ATF temperature.
The PCM/ TCM sends a 5V standard voltage to the grounded sensor through a pull-up
resistor.
When the ATF temperature is low, the sensor resistance increases and the PCM/ TCM detects
a high signal voltage.
As the ATF temperature rises, the sensor resistance decreases and the PCM/TCM detects a
low signal voltage.
A: Automatic Transmission Fluid Temperature Sensor
B: Input Circuit
C: Signal
D: PCM/TCM
OPERATING RANGE
-30°C - 140°C
-22°F - 284°F
4.77V - 0.28V
4R_CANEAT_VB
Battery Voltage
(V)
Battery Voltage indicates the battery voltage.
It is a power-supply voltage of the solenoid valve.
4R_CANEAT_SO
Shift Control
(N/P, Park, R, 1st, 2nd, 3rd, 4th, 5th, 6th, 7th, 8th, 9th, Undefined)
The shift that the PCM/TCM intends to control the automatic transmission.
(Shift Control indicate correct values when the engine is running)
4R_CANEAT_SHA
A/T Shift Sol VLV. A: Automatic Transmission Shift Solenoid Valve A
(ON/OFF)
When the solenoid valve is activated, the fluid line is changed. And the A/T SHIFT SOL
VLV. A indicates ON.
The hydraulic pressure circuit supplies/discharges hydraulic pressure to/from each clutch
according to the combination of the ON/OFF status of shift solenoid valves.
The combination of ON/OFF status of each shift solenoid valve at each shift position is
various in the model.
There are some models which work shift solenoid valve A as a torque converter clutch
solenoid valve.
The PCM/TCM commands the driver circuit to turn on the shift solenoid valve.
The circuit diagnoses malfunctions such as a circuit short or open, and sends back a
return signal during the PCM/TCM's command.
A: Shift Solenoid valve
B: Driver Circuit
C: PCM/TCM
D: Command
E: Return Signal
4R_CANEAT_SHB
A/T Shift Sol VLV. B: Automatic Transmission Shift Solenoid Valve B
(ON/OFF)
When the solenoid valve is activated, the fluid line is changed. And the A/T SHIFT SOL
VLV. B indicates ON.
The hydraulic pressure circuit supplies/discharges hydraulic pressure to/from each clutch
according to the combination of the ON/OFF status of shift solenoid valves.
The combination of ON/OFF status of each shift solenoid valve at each shift position is
various in the model.
The PCM/TCM commands the driver circuit to turn on the shift solenoid valve.
The circuit diagnoses malfunctions such as a circuit short or open, and sends back a
return signal during the PCM/TCM's command.
A: Shift Solenoid valve
B: Driver Circuit
C: PCM/TCM
D: Command
E: Return Signal
4R_CANEAT_SHC
A/T Shift Sol VLV. C: Automatic Transmission Shift Solenoid Valve C
(ON/OFF)
When the solenoid valve is activated, the fluid line is changed. And the A/T SHIFT SOL VLV. C indicates ON.
The hydraulic pressure circuit supplies/discharges hydraulic pressure to/from each
clutch according to the combination of the ON/OFF status of shift solenoid valves.
The combination of ON/OFF status of each shift solenoid valve at each shift position is
various in the model.
The PCM/TCM commands the driver circuit to turn on the shift solenoid valve.
The circuit diagnoses malfunctions such as a circuit short or open, and sends back a
return signal during the PCM/TCM's command.
A: Shift Solenoid valve
B: Driver Circuit
C: PCM/TCM
D: Command
E: Return Signal
4R_CANEAT_SHD
A/T Shift Sol VLV. D: Automatic Transmission Shift Solenoid Valve D
(ON/OFF)
When the solenoid valve is activated, the fluid line is changed. And the A/T SHIFT SOL
VLV. D indicates ON.
The hydraulic pressure circuit supplies/discharges hydraulic pressure to/from each clutch
according to the combination of the ON/OFF status of shift solenoid valves.
The combination of ON/OFF status of each shift solenoid valve at each shift position is
various in the model.
There are some models which work shift solenoid valve D as a torque converter clutch
solenoid valve.
The PCM/TCM commands the driver circuit to turn on the shift solenoid valve.
The circuit diagnoses malfunctions such as a circuit short or open, and sends back a
return signal during the PCM/TCM's command.
A: Shift Solenoid valve
B: Driver Circuit
C: PCM/TCM
D: Command
E: Return Signal
4R_CANEAT_PLA
Line Pressure Sol VLV. A:
Line Pressure Solenoid Valve A
(OFF/ON)
Line pressure solenoid valve A (PL SOL V.A) controls the hydraulic pressure optimally
in the hydraulic pressure control system of automatic transmission.
Line pressure solenoid valve A is closed normally (ON-Open/OFF-Close).
Solenoid valve hydraulic pressure hole (which is closed normally) is opened when solenoid valve is ON
and it also makes ATF pass through. Hydraulic pressure hole is closed when solenoid valve is OFF and shut down the oil flow.
4R_CANEAT_SLS
Shift Lock Solenoid (ON/OFF)
When the solenoid valve is activated, the shift lock is released. And the SHIFT LOCK
SOL indicates ON.
SHIFT LOCK SOLENOID SYSTEM is a device the shift lever cannot be moved from P position to
other positions if the brake pedal is not pressed after the engine starts at P position.
If the brake pedal is pressed at P position, the shift lock solenoid is turning on, shift
lock plunger is retracted to release the shift lock stop. This allows the shift lever to
be moved.
The shift lock solenoid remains OFF, when the brake pedal is released at P position, and
the shift lever is without P position.
4R_CANEAT_ETR
ETR: Slip ratio of torque converter .(%)
An analytical team uses this parameter to solve a difficult problem to diagnose.
4R_CANEAT_GRATIO
AT GEAR RATIO
AT GEAR RATIO is calculation between the main and countershafts to determine the gear ratio.
The values displayed are the ratios when in and between gears as displayed as an example below:
1st gear = 1.000, 1-2 shift = 1.xxx
2nd gear = 1.000, 2-3 shift = 2.xxx
3rd gear = 1.000, 3-4 shift = 3.xxx
4th gear = 1.000, 4-5 shift = 4.xxx
5th gear = 5.000, Drive (not moving) = 7.969
Reverse (not moving) = 7.969, Reverse (moving) = 1.xxx
Engine stop = 7.969, Park and Neutral = 0.000
Main/countershaft failure = 0.000 or 7.969
This value is 1 - 2 seconds slower than ECU signal of shift changeing (Shift Control).
Example: Shift position is P - R - N
I: Gear Ratio
II: Shift control
III: Engine is stopped
IV: Vehicle is stopped (R or D)
Example2: Shift position is N - D (1 - 2 - 3 - 4 - 5)
4R_CANEAT_MAPS
SHIFT MAP NUMBER
(0,1,2,3,4,5,6,7,)
SHIFT MAP NUMBER indicates changing the speed data number.
SHIFT MAP NUMBER indicates identity (ID) number of shift schedule table which is selected
to the A/T grade logic control.
The number of maps and the map number for each mode depend on models.
When running on a flat road, "3" or "4" is indicated in SHIFT MAP NUMBER.
At Ascending control, SHIFT MAP NUMBER indicates smaller numerical value than the flat
road.
At Descending control, SHIFT MAP NUMBER indicates larger numerical value than the flat
road.
Even when running in the weight of the driver and passengers or decrease in engine
power(running highland, overheating, etc.).
4R_CANEAT_ICMDA
A/T C.P.C. Sol VLV. A Command:
A/T Clutch Pressure Control Solenoid Valve A Command
(A)
Calculated current value that PCM/TCM directs to A/T Clutch Pressure Control Solenoid Valve A. Clutch pressure control solenoid valve A is used for clutch pressure control. A spool in clutch pressure control solenoid valve A pushes a valve according to the duty cycle that is controlled by the power train control module (PCM/TCM) to pressurize fluid so the hydraulic pressure is proportional to the current. The PCM/TCM measures the current flowing through clutch pressure control solenoid valve A and uses feedback control to compensate the difference between the actual current and the commanded one.

A: Command
B: Driver Circuit
C: Clutch Pressure Control Solenoid Valve
D: Current Sensing Circuit
E: Sensing Current
F: Cut Off Command
G: Cut Off Circuit
H: PCM/TCM

A: Cut Off Command
B: Cut Off Circuit
C: Command
D: Driver Circuit
E: Clutch Pressure Control Solenoid Valve
F: Current Sensing Circuit
G: Sensing Current
H: PCM/TCM
4R_CANEAT_IACTA
A/T C.P.C. Sol VLV. A Actual:
A/T Clutch Pressure Control Solenoid Valve A Actual
(A)
Actual current value of A/T Clutch Pressure Control Solenoid Valve A.
Clutch pressure control solenoid valve A is used for clutch pressure control. A spool in
clutch pressure control solenoid valve A pushes a valve according to the duty cycle that
is controlled by the power train control module (PCM/TCM) to pressurize fluid so the
hydraulic pressure is proportional to the current. The PCM/TCM measures the current
flowing through clutch pressure control solenoid valve A and uses feedback control to
compensate the difference between the actual current and the commanded one.

A: Command
B: Driver Circuit
C: Clutch Pressure Control Solenoid Valve
D: Current Sensing Circuit
E: Sensing Current
F: Cut Off Command
G: Cut Off Circuit
H: PCM/TCM

A: Cut Off Command
B: Cut Off Circuit
C: Command
D: Driver Circuit
E: Clutch Pressure Control Solenoid Valve
F: Current Sensing Circuit
G: Sensing Current
H: PCM/TCM
4R_CANEAT_ICMDB
A/T C.P.C. Sol VLV. B Command:
A/T Clutch Pressure Control Solenoid Valve B Command
(A)
Calculated current value that PCM/TCM directs to A/T Clutch Pressure Control Solenoid
Valve B.
Clutch pressure control solenoid valve B is used for clutch pressure control. A spool in
clutch pressure control solenoid valve B pushes a valve according to the duty cycle that
is controlled by the power train control module (PCM/TCM) to pressurize fluid so the
hydraulic pressure is proportional to the current. The PCM/TCM measures the current
flowing through clutch pressure control solenoid valve B and uses feedback control to
compensate the difference between the actual current and the commanded one.

A: Command
B: Driver Circuit
C: Clutch Pressure Control Solenoid Valve
D: Current Sensing Circuit
E: Sensing Current
F: Cut Off Command
G: Cut Off Circuit
H: PCM/TCM

A: Cut Off Command
B: Cut Off Circuit
C: Command
D: Driver Circuit
E: Clutch Pressure Control Solenoid Valve
F: Current Sensing Circuit
G: Sensing Current
H: PCM/TCM
4R_CANEAT_IACTB
A/T C.P.C. Sol VLV. B Actual:
A/T Clutch Pressure Control Solenoid Valve B Actual
(A)
Actual current value of A/T Clutch Pressure Control Solenoid Valve B.
Clutch pressure control solenoid valve B is used for clutch pressure control. A spool in
clutch pressure control solenoid valve B pushes a valve according to the duty cycle that
is controlled by the power train control module (PCM/TCM) to pressurize fluid so the
hydraulic pressure is proportional to the current. The PCM/TCM measures the current
flowing through clutch pressure control solenoid valve B and uses feedback control to
compensate the difference between the actual current and the commanded one.

A: Command
B: Driver Circuit
C: Clutch Pressure Control Solenoid Valve
D: Current Sensing Circuit
E: Sensing Current
F: Cut Off Command
G: Cut Off Circuit
H: PCM/TCM

A: Cut Off Command
B: Cut Off Circuit
C: Command
D: Driver Circuit
E: Clutch Pressure Control Solenoid Valve
F: Current Sensing Circuit
G: Sensing Current
H: PCM/TCM
4R_CANEAT_ICMDC
A/T C.P.C. Sol VLV. C Command:
A/T Clutch Pressure Control Solenoid Valve C Command
(A)
Calculated current value that PCM/TCM directs to A/T Clutch Pressure Control Solenoid Valve C. Clutch pressure control solenoid valve C is used for clutch pressure control. A spool in clutch pressure control solenoid valve C pushes a valve according to the duty cycle that is controlled by the power train control module (PCM/TCM) to pressurize fluid so the hydraulic pressure is proportional to the current. The PCM/TCM measures the current flowing through clutch pressure control solenoid valve C and uses feedback control to compensate the difference between the actual current and the commanded one.

A: Command
B: Driver Circuit
C: Clutch Pressure Control Solenoid Valve
D: Current Sensing Circuit
E: Sensing Current
F: Cut Off Command
G: Cut Off Circuit
H: PCM/TCM

A: Cut Off Command
B: Cut Off Circuit
C: Command
D: Driver Circuit
E: Clutch Pressure Control Solenoid Valve
F: Current Sensing Circuit
G: Sensing Current
H: PCM/TCM
4R_CANEAT_IACTC
A/T C.P.C. Sol VLV. C Actual:
A/T Clutch Pressure Control Solenoid Valve C Actual
(A)
Actual current value of A/T Clutch Pressure Control Solenoid Valve C.
Clutch pressure control solenoid valve C is used for clutch pressure control. A spool in
clutch pressure control solenoid valve C pushes a valve according to the duty cycle that
is controlled by the power train control module (PCM/TCM) to pressurize fluid so the
hydraulic pressure is proportional to the current. The PCM/TCM measures the current
flowing through clutch pressure control solenoid valve C and uses feedback control to
compensate the difference between the actual current and the commanded one.

A: Command
B: Driver Circuit
C: Clutch Pressure Control Solenoid Valve
D: Current Sensing Circuit
E: Sensing Current
F: Cut Off Command
G: Cut Off Circuit
H: PCM/TCM

A: Cut Off Command
B: Cut Off Circuit
C: Command
D: Driver Circuit
E: Clutch Pressure Control Solenoid Valve
F: Current Sensing Circuit
G: Sensing Current
H: PCM/TCM
4R_CANEAT_ATPP
A/T P Switch: A/T P position switch
(ON/OFF)
When the shift lever is shifted to the "P" position, the A/T P SWITCH indicates ON.
PCM/ TCM reads the gear lever position by the signal of the transmission range switch as
mounting to side cover of the transmission.
The transmission range switch is attached to the control shaft. Operation of the shift
lever makes the control shaft rotate via the shift cable. The A/T gear position indicator
indicates which position is selected according to the signal Low/High combinations which
vary based on shift lever position.
The voltage is 5-12 V (Differs by the pull up voltage) (High) at the PCM/ TCM input
terminal when each transmission range switch position is open, and it is 0 V (Low) when
each switch is closed.
The combination of the positions is different in the model.
A: PCM/TCM
B: Transmission Range switch
4R_CANEAT_ATPR
A/T R Switch: A/T Reverse Position Switch
(ON/OFF)
When the A/T shift lever is shifted to the R position, the A/T R SWITCH indicates ON
PCM/ TCM reads the gear lever position by the signal of the transmission range switch as
mounting to side cover of the transmission.
The transmission range switch is attached to the control shaft. Operation of the shift
lever makes the control shaft rotate via the shift cable. The A/T gear position indicator
indicates which position is selected according to the signal Low/High combinations which
vary based on shift lever position.
The voltage is 5-12 V (Differs by the pull up voltage) (High) at the PCM/ TCM input
terminal when each transmission range switch position is open, and it is 0 V (Low) when
each switch is closed.
The combination of the positions is different in the model.
A: PCM/TCM
B: Transmission Range switch
4R_CANEAT_ATPN
A/T N Switch: A/T N Position Switch
(ON/OFF)
When the A/T shift lever is shifted to the "N" position, the A/T N SWITCH indicates ON.
PCM/ TCM reads the gear lever position by the signal of the transmission range switch as
mounting to side cover of the transmission.
The transmission range switch is attached to the control shaft. Operation of the shift
lever makes the control shaft rotate via the shift cable. The A/T gear position indicator
indicates which position is selected according to the signal Low/High combinations which
vary based on shift lever position.
The voltage is 5-12 V (Differs by the pull up voltage) (High) at the PCM/ TCM input
terminal when each transmission range switch position is open, and it is 0 V (Low) when
each switch is closed.
The combination of the positions is different in the model.
A: PCM/TCM
B: Transmission Range switch
4R_CANEAT_ATPD
A/T D Switch: A/T D Position Switch
(ON/OFF)
When the A/T shift lever is shifted to the "D" position, the A/T D SWITCH indicates ON.
PCM/ TCM reads the gear lever position by the signal of the transmission range switch as
mounting to side cover of the transmission.
The transmission range switch is attached to the control shaft. Operation of the shift
lever makes the control shaft rotate via the shift cable. The A/T gear position indicator
indicates which position is selected according to the signal Low/High combinations which
vary based on shift lever position.
The voltage is 5-12 V (Differs by the pull up voltage) (High) at the PCM/ TCM input
terminal when each transmission range switch position is open, and it is 0 V (Low) when
each switch is closed.
The combination of the positions is different in the model.
A: PCM/TCM
B: Transmission Range switch
4R_CANEAT_ATPS
A/T S Switch: A/T S Position Switch
(ON/OFF)
When the A/T shift lever is shifted to the "S" position, the A/T S SWITCH indicates ON.
PCM/ TCM reads the gear lever position by the signal of the transmission range switch as
mounting to side cover of the transmission.
The transmission range switch is attached to the control shaft. Operation of the shift
lever makes the control shaft rotate via the shift cable. The A/T gear position indicator
indicates which position is selected according to the signal Low/High combinations which
vary based on shift lever position.
The voltage is 5-12 V (Differs by the pull up voltage) (High) at the PCM/ TCM input
terminal when each transmission range switch position is open, and it is 0 V (Low) when
each switch is closed.
The combination of the positions is different in the model.
A: Transmission Range switch
B: PCM/TCM
4R_CANEAT_ATPFWD
Forward switch (ATPFWD)
(ON/OFF)
When the shift lever is shifted to one of forward position, FORWARD SWITCH indicates
ON.
Forward switch is installed in transmission range switch. It's detects 2 or 3 forward
consecutive position from the highest D position.
(Forward switch can detect the any position between one shift position and the next shift
position.)
If the signal of forward switch can be detected when both position signals cannot be
detected by the shift lever's stopping by incorrect operation of the user etc. in the middle
of two forward positions, the PCM/TCM doesn't detect the malfunction of AT range switch.
The combination that forward switch can detects depends on the model.
The combination of the positions is different in the model.
A: PCM/TCM
B: Transmission Range switch
C: Forward switch
4R_CANEAT_ATPRVS
Reverse switch (ATPRVS)
(ON/OFF)
When the shift lever is shifted to the "R" position, the REVERSE SWITCH indicates ON.
(There are some models which indicate ON by P or N)
REVERSE SWITCH (ATPRVS) is a switch preliminary to detect R position.
If the signal at R position is not found, this A/T vehicle cannot reverse run.
It is possible to make the vehicle reverse by making the signal at R position two systems
(A/T R SW and reverse SW(ATPRVS)) when one of signals are not detected.
4R_CANEAT_ATINDP
P Indicator
(ON/OFF)
PCM/TCM outputs the signal to the gauge so that an appropriate gear position may light
and display the selected gear position in the gear position indicator or the gauge.
The signal communicates through a multiple communication or the CAN communication.
When the P position signal is output, the P INDICATOR indicates ON.
4R_CANEAT_ATINDR
R Indicator
(ON/OFF)
PCM/TCM outputs the signal to the gauge so that an appropriate gear position may light
and display the selected gear position in the gear position indicator of the gauge.
The signal communicates through a multiple communication or the CAN communication.
When the R position signal is output, the R INDICATOR indicates ON.
4R_CANEAT_ATINDN
N Indicator
(ON/OFF)
PCM/TCM outputs the signal to the gauge so that an appropriate gear position may light
and display the selected gear position in the gear position indicator or the gauge.
When the N position signal is output, the N INDICATOR indicates ON.
4R_CANEAT_ATINDD
D Indicator
(ON/OFF)
PCM/TCM outputs the signal to the gauge so that an appropriate gear position may light
and display the selected gear position in the gear position indicator of the gauge.
When the D position signal is output, the D INDICATOR indicates ON.
4R_CANEAT_ATINDS
S Indicator
(ON/OFF)
PCM/TCM outputs the signal to the gauge so that an appropriate gear position may light
and display the selected gear position in the gear position indicator of the gauge.
When the S position signal is output, the S INDICATOR indicates ON.
4R_CANEAT_OP2SW
2nd Pressure Switch
(ON/OFF)
Driving in 2nd gear, the 2nd PRESSURE SWITCH indicates ON.
2nd Pressure Switch (OP2SW) is set up in the hydraulic pressure supply circuit to 2nd
clutch.
When hydraulic pressure is supplied to 2nd clutch, 2nd Pressure Switch(OP2SW) becomes
turning on (short to GND).
When 2nd clutch does not have the hydraulic pressure supply, 2nd Pressure Switch(OP2SW) is
turned off (open).
The signal of 2nd clutch pressure switch is input to the PCM/TCM, and used to reduce the
shock which occurs when shifting to 2nd.

A: Signal
B: Input Circuit
C: PCM/TCM
D: 2nd Pressure switch
4R_CANEAT_OP3SW
3rd Pressure Switch
(ON/OFF)
Driving in 3rd gear, the 3rd PRESSURE SWITCH indicates ON.
3rd Pressure Switch (OP3SW) is set up in the hydraulic pressure supply circuit to 3rd
clutch.
When hydraulic pressure is supplied to 3rd clutch, 3rd Pressure Switch(OP3SW) becomes
turning on (short to GND).
When 3rd clutch does not have the hydraulic pressure supply, 3rd Pressure Switch(OP3SW) is
turned off (open).
The signal of 3rd clutch pressure switch is input to the PCM/TCM, and used to reduce the
shock which occurs when shifting to 3rd.

A: Signal
B: Input Circuit
C: PCM/TCM
D: 3rd Pressure switch
4R_CANEAT_SUPP
Upshift Switch (ST)
(ON/OFF)
The state of the upshift switch on the steering wheel is indicated in UPSHIFT SWITCH
(ST) by ON or OFF.
When the upshift switch is pressed, UPSHIFT SWITCH (ST) indicates ON.
A: STEERING WHEEL DOWNSHIFT (-) SWITCH
B: STEERING WHEEL UPSHIFT (+) SWITCH
4R_CANEAT_SDNP
Downshift Switch (ST)
(ON/OFF)
The state of the downshift switch on the steering wheel is indicated in DOWNSHIFT
SWITCH (ST) as ON or OFF.
When the downshift switch is pressed, DOWNSHIFT SWITCH (ST) indicates ON.
A: STEERING WHEEL DOWNSHIFT (-) SWITCH
B: STEERING WHEEL UPSHIFT (+) SWITCH
4R_CANEAT_MIND
Manual Mode Indicator
(ON/OFF)
When the shift lever is shifted to the Manual Mode position, MANUAL MODE INDICATOR indicates ON.
The combination of the positions varies from model to model.
i: Sequential mode indicator
ii: Manual mode indicator
4R_CANEAT_LEDA
LED A: Shift Indicator Light Control data
(ON/OFF)
When the A/T gear position is 4th and 5th, in the sequential mode, LED A indicates ON.
LEDA, LEDB, and LEDC are the data to display the number to the shift position indicator at
the sequential (manual) mode.
LEDA is data of the binary number of the third digit.
LEDB is data of the binary number of the second digit.
LEDC is data of the binary number of the first digit.
| A | Binary | LEDA | LEDB | LEDC |
|---|---|---|---|---|
| B | 0 | 0(OFF) | 0(OFF) | 0(OFF) |
| 1 | 1 | 0(OFF) | 0(OFF) | 1(ON) |
| 2 | 10 | 0(OFF) | 1(ON) | 0(OFF) |
| 3 | 11 | 0(OFF) | 1(ON) | 1(ON) |
| 4 | 100 | 1(ON) | 0(OFF) | 0(OFF) |
| 5 | 101 | 1(ON) | 0(OFF) | 1(ON) |
A: Decimal (The number displayed to shift position indicator)
B: No indicator (Non-sequential mode)
4R_CANEAT_LEDB
LED B: Shift Indicator Light Control data
(ON/OFF)
When the A/T gear position is 2nd and 3rd, in the sequential mode, LED B indicates ON.
LEDA, LEDB, and LEDC are the data to display the number to the shift position indicator at
the sequential (manual) mode.
LEDA is data of the binary number of the third digit.
LEDB is data of the binary number of the second digit.
LEDC is data of the binary number of the first digit.
| A | Binary | LEDA | LEDB | LEDC |
|---|---|---|---|---|
| B | 0 | 0(OFF) | 0(OFF) | 0(OFF) |
| 1 | 1 | 0(OFF) | 0(OFF) | 1(ON) |
| 2 | 10 | 0(OFF) | 1(ON) | 0(OFF) |
| 3 | 11 | 0(OFF) | 1(ON) | 1(ON) |
| 4 | 100 | 1(ON) | 0(OFF) | 0(OFF) |
| 5 | 101 | 1(ON) | 0(OFF) | 1(ON) |
A: Decimal (The number displayed to shift position indicator)
B: No indicator (Non-sequential mode)
4R_CANEAT_LEDC
LED C: Shift Indicator Light Control data
(ON/OFF)
When the A/T gear position is 1st,3rd and 5th, in the sequential mode, LED C indicates
ON.
LEDA, LEDB, and LEDC are the data to display the number to the shift position indicator at
the sequential (manual) mode.
LEDA is data of the binary number of the third digit.
LEDB is data of the binary number of the second digit.
LEDC is data of the binary number of the first digit.
| A | Binary | LEDA | LEDB | LEDC |
|---|---|---|---|---|
| B | 0 | 0(OFF) | 0(OFF) | 0(OFF) |
| 1 | 1 | 0(OFF) | 0(OFF) | 1(ON) |
| 2 | 10 | 0(OFF) | 1(ON) | 0(OFF) |
| 3 | 11 | 0(OFF) | 1(ON) | 1(ON) |
| 4 | 100 | 1(ON) | 0(OFF) | 0(OFF) |
| 5 | 101 | 1(ON) | 0(OFF) | 1(ON) |
A: Decimal (The number displayed to shift position indicator)
B: No indicator (Non-sequential mode)
4R_CANEAT_SCS
SCS: Service Check Signal
(OPEN/SHORT)
When the SCS line is grounded, the Service Check Signal indicates SHORT.
After turning on the ignition switch, the indicator light blinks the DTCs.
4R_CANEAT_BRKSW
Brake Switch: Brake Pedal Position Switch
(ON/OFF)
When the brake pedal is pressed, the Brake Pedal Position Switch indicates ON.
This sensor detects the operation status of the brake pedal.
The brake lamp switch voltage is used for signal.
When the brake pedal is not operated, the BKSW terminal does not output the voltage.
When the brake pedal is depressed, the switch turns ON, and the brake lamp illuminates.
As a result, the battery voltage is applied to the BKSW terminal, and BKSW terminal
outputs the voltage.
When the voltage from this terminal is ON, the PCM/TCM detects the brake pedal operation.
i: IG
ii: Brake switch
iii: Brake light
iv: Oil pressure switch
v: PSW
vi: BKSW
vii: ECU
viii: Reference voltage circuit
4R_CANEAT_DMAX
Highest D Position
When the shift lever is shifted to the highest "D" position (D or D4 or D5, the Highest D Position indicates ON.
4R_CANEAT_OPCV_LOK
Learning status of Valve Body Characteristic Learning
(Other/Learned)
It indicates whether " Valve Body Characteristic Learning" for 8DCT is completed or not.
4R_CANEAT_DFTMON
DFT MONITOR: Dynamic Function Test Status Monitor
($XX)
The state of the Linear sol test is displayed as a hex value.
DFT Test Mode Indicator:
$00:Normal
$01:Under Test operation
$04:Completed
$0E:Test aborted (PGM-TESTER command)
$0F:Test aborted (Wrong condition)
4R_CANEAT_DFTRLT
DFT Result
($XX)
The result of the Linear sol test is displayed as a hex value.
DFT test result code:
$00:Normal
$02:Solenoid malfunction
$20:3rd gear oil pressure switch malfunction
$30:4rd gear oil pressure switch malfunction condition
4R_CANEAT_DISTCRDVB
Distance Traveled Since Battery Connected
(km) (Mile)
Distance Traveled since the last time battery power was applied to the PCM/TCM.
When the battery terminal is disconnected, Distance Traveled Since Battery Connected
becomes 0.
4R_CANEAT_ICMDLC
A/T LC Sol VLV Command
(mA)
A/T LC Sol VLV Command current value relate to the Lock-up clutch pressure control.
4R_CANEAT_IACTLC
A/T LC Sol VLV Actual
(mA)
A/T LC Sol VLV Actual current value relate to the Lock-up clutch pressure control.
4R_CANDCT_E50A_INV
"Invalid Judgement"
(Times)
It indicates "Invalid Judgement".(Times)
This Parameter is only for following Vehicle (Japan Market ONLY)
-14M FIT HYBRID
-14M VEZEL HYBRID
4R_CANDCT_E50A_REF
"Refrence Search Judgement"
(Times)
It indicates "Refrence Search Judgement".(Times)
This Parameter is only for following Vehicle (Japan Market ONLY)
-14M FIT HYBRID
-14M VEZEL HYBRID
4R_CANDCT_E50B_LOW
"Low Retry Judgement"
(Times)
It indicates "Low Retry Judgement".(Times)
This Parameter is only for following Vehicle (Japan Market ONLY)
-14M FIT HYBRID
-14M VEZEL HYBRID
4R_CANDCT_E50B_2ND
"2nd Retry Judgement"
(Times)
It indicates "2nd Retry Judgement".(Times)
This Parameter is only for following Vehicle (Japan Market ONLY)
-14M FIT HYBRID
-14M VEZEL HYBRID
4R_CANDCT_E50B_3RD
"3rd Retry Judgement"
(Times)
It indicates "3rd Retry Judgement".(Times)
This Parameter is only for following Vehicle (Japan Market ONLY)
-14M FIT HYBRID
-14M VEZEL HYBRID
4R_CANDCT_E50B_4TH
"4th Retry Judgement"
(Times)
It indicates "4th Retry Judgement".(Times)
This Parameter is only for following Vehicle (Japan Market ONLY)
-14M FIT HYBRID
-14M VEZEL HYBRID
4R_CANDCT_E50B_5TH
"5th Retry Judgement"
(Times)
It indicates "5th Retry Judgement".(Times)
This Parameter is only for following Vehicle (Japan Market ONLY)
-14M FIT HYBRID
-14M VEZEL HYBRID
4R_CANDCT_E50B_6TH
"6th Retry Judgement"
(Times)
It indicates "6th Retry Judgement".(Times)
This Parameter is only for following Vehicle (Japan Market ONLY)
-14M FIT HYBRID
-14M VEZEL HYBRID
4R_CANDCT_E50B_7TH
"7th Retry Judgement"
(Times)
It indicates "7th Retry Judgement".(Times)
This Parameter is only for following Vehicle (Japan Market ONLY)
-14M FIT HYBRID
-14M VEZEL HYBRID